導航:回首頁---當前位置---閥門產品內容頁 >> F943X-0.5/1/1.5電動扇形盲板閥_F943X-0.5/1/1.5電動扇形盲板閥價格_報價_CAD圖紙 |
|||
![]() |
|||
蝶閥
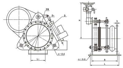
F943X-0.5/1/1.5電動扇形盲板閥
F943X-0.5/1/1.5電動扇形盲板閥更多信息
用途 本系列眼睛閥按GB6222《工業企業煤氣安全規程》的有關標準同事消化吸收 基礎上,自行研制開發的產品。 適用于工礦企業、環境保護等行業的煤氣、有毒氣體介質管道中,作為可靠的切斷裝置。 主要性能參數
| |||

